Устройство предназначено для передачи изображения в телевизионном диапазоне и может использоваться для беспроводной передачи видеосигнала на небольшие расстояния.
Совместив передатчик, к примеру, с бескорпусной камерой, несложно получить простую систему беспроводного видеонаблюдения. Приемником сигнала в этом случае может служить любой телевизор, включенный на соответствующий канал. Будет устройство полезно и в случае, если необходимо просмотреть комплексный видеосигнал на старых моделях телевизоров, не оборудованных видеовходом.

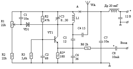
Задающий генератор собран на транзисторе КТ603Г (VT 1) и колебательном контуре L1-C3. Несущую частоту в пределах 5 каналов можно грубо регулировать подстроечным конденсатором С3 или растягиванием/сжиманием витков бескорпусной катушки L1. Более точно передатчик подстраивают резистором R1, контролируя захват несущей визуально на экране телевизора, настроенного на необходимый канал. Глубина модуляции регулируется подбором R6, контролируется визуально до получения контрастной неискаженной картинки.
При нормальной работе задающего генератора схема потребляет ток порядка 25 — 30 мА (точка А). Во избежание паразитной модуляции схему лучше питать от стабилизированного источника. Конструкция антенны жесткая (штырь, телескопическая антенна от радиоприемника), плата передатчика помещена в экранирующий корпус. На месте VT1 хорошо работает КТ608Б.
Статьи ►
Простой преобразователь — стабилизатор на напряжение 5В