При конструировании аппаратуры с автономным питанием нередко возникает необходимость в стабилизированном источнике 5 В. Обычный прием – батарея из шести элементов и непрерывный стабилизатор (пусть даже интегральный), рассеивающий на себе половину энергии источника питания – удовольствие дорогое и невыгодное. В плане экономичности гораздо удобнее использовать импульсный преобразователь-стабилизатор.
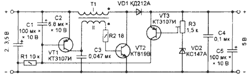
Предлагаемый преобразователь при входном напряжении 2-3.5 В и выходном стабилизированном 5В, в состоянии отдать в нагрузку ток до 120 мА и имеет КПД около 75%. Рассмотрим его схему:

Сердцем преобразователя служит блокинг-генератор, собранный на транзисторе VT2 и импульсном трансформаторе Т1. Обмотка II трансформатора обеспечивает положительную обратную связь генератора, I в дополнение является еще и накопительным дросселем. Импульсы с этого дросселя заряжают конденсаторы C4, C5, напряжение на которых и является выходным.
Величина его зависит от частоты и скважности импульсов блокинг-генератора, который управляется коллекторным током транзистора Т1. За стабилизацию напряжения отвечает цепочка VТ3, VD1, которая в свою очередь управляет транзистором Т1 и в конечном счете частотой генератора. Величина выходного напряжения устанавливается подстроечным резистором R3.
На месте VT2 могут работать КТ819 с любым буквенным индексом, КТ805А и даже КТ817, но в последнем случае выходная мощность преобразователя несколько уменьшится. Для увеличения КПД в качестве VD1 можно применить германиевый диод Д310. Импульсный трансформатор Т1 изготовлен из дросселя ДПМ-1,0 /51 мкГн. Родная обмотка дросселя использована в качестве I, обмотка II доматывается поверх первичной и содержит 14 витков провода ПЭВ 0.31. С3 – металлопленочный К71-К78 (керамический нежелателен из-за высокого ТКЕ). Остальные детали могут быть любого типа.
Эту же схему преобразователя удобно использовать для зарядки мобильных телефонов и других устройств, способных заряжаться или питаться через USB-порт ПК и не требующих зарядного тока выше 120 мА. В этом случае конструкция будет выглядеть как кассета для двух элементов питания с гнездом USB.
Статьи ►
Простой программатор AVR микроконтроллеров