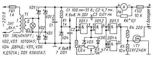
Предлагаемое устройство позволяет заряжать аккумуляторы током до 6 А и представляет собой импульсный регулятор мощности, что обеспечивает его малые габариты при достаточно высоких эксплуатационных показателях. Задающий генератор с регулируемой скважностью собран на микросхеме К561ЛА7 (DD1.1, DD1.2), а сам узел регулировки на диодах VD5, VD6 и переменном резисторе R3. Изменение скважности позволяет регулировать зарядный ток практически от 0 до максимального значения. Рабочая частота генератора – 13 кГц.

Остальные два элемента микросхемы представляют собой буферный усилитель-инвертор, нагруженный на полевой транзистор VT1, работающий в ключевом режиме. При токе нагрузки до 5 А теплоотвод для транзистора не требуется, при токе 6-7 А транзистор размещают на небольшой (50х50х1 мм) медной или алюминиевой пластине. Питается схема через простейший параметрический стабилизатор R1, VD4, С2, подключенный к основному выпрямителю на диодах Шоттки VD1, VD2, VD3. Такие диоды выбраны из соображений уменьшения габаритов устройства (малое падение напряжения – малая рассеиваемая мощность).
Если применить трансформатор с отводом от середины, то количество диодов можно сократить еще вдвое. В принципе, на их месте могут работать обычные диоды, рассчитанные на соответствующий прямой ток и напряжение не ниже 40 В. В качестве амперметра PA1 использован индикатор записи от магнитофона М476/2. Шунт представляет собой кусок медного провода ПЭВ-2 1.5, намотанного на оправку диаметром 8 мм. Количество витков – 16, сопротивление – около 0.1 Ом.
В качестве Т1 можно использовать любой трансформатор с вторичной обмоткой, рассчитанной на ток 6-7 А при напряжении 16-20 В. Как уже было сказано, удобнее использовать трансформатор с вторичной обмоткой с отводом от середины. Вполне подойдет, к примеру, ТН-61. Соединив его обмотки последовательно, легко получить нужное напряжение при токе до 8 А. Диоды размещены на штыревом теплоотводе 160х45 мм через слюдяные прокладки.
Статьи ►
Индикатор ИК излучения