Эта схема может использоваться для питания любой люминесцентной лампы, в том числе и со сгоревшими пусковыми спиралями, мощностью до 20 Вт.

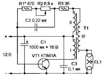
Устройство представляет собой блокинг-генератор, собранный на Т1 и VT1. Генератор работает на частоте 25-40 кГц, которая может регулироваться переменным резистором R2. Повышенное трансформатором напряжение (до 400В) поступает на лампу EL1. Частота, как уже было замечено, меняется резистором R2, при этом длительность импульсов генератора не меняется, меняется лишь скважность (длительность пауз). Соответственно меняется и ток потребления устройством, и яркость свечения лампы. При указанных на схеме номиналах в опытном образце (лампа F13W) потребляемый ток изменялся от 70 до 800 мА с соответствующим изменением яркости свечения лампы. Ввиду относительно большой частоты преобразования и инерционности люминофора мерцания лампы не наблюдается.
Вместо транзистора КТ841А можно применить КТ847А или КТ805А. Его необходимо установить на радиатор площадью не менее15 см2. Трансформатор Т1 изготовлен на броневом магнитопроводе Б30 из феррита М1500НМ3 и собран с зазором 0.2 мм.
Обмотки:
I – 24 витка провода ПЭВ-2 0.38мм, сложенного вдвое;
II – 7 витков ПЭВ-2 0.38мм;
III – 190 витков ПЭВ-20.18 мм.
При использовании преобразователя с лампой мощностью меньше 10Вт, количество витков обмотки III следует уменьшить. Схема может работать и при меньшем (до 6В) питающем напряжении. В этом случае число витков обмотки II уменьшается пропорционально напряжению. Однако КПД преобразователя при этом уменьшится.
Налаживание устройства сводится к подбору номиналов резисторов R1 и R2. Сперва R2 устанавливается в правое по схеме положение и подбирается сопротивление R1 таким образом, чтобы визуально яркость свечения лампы была номинальной. Затем подбором номинала R2 добиваются необходимого диапазона регулировки яркости без срыва генерации в крайнем левом по схеме положении движка.
Статьи ►
Низковольтное питание люминесцентной лампы ЛБ4