Практически каждый радиолюбитель хоть раз да применял переключатели П2К, которые могут быть одиночными (с фиксацией или без), или собираться в группы (без фиксации, независимая фиксация, зависимая фиксация). В ряде случаев такие переключатели целесообразнее заменить на электронные, собранные на ТТЛ микросхемах. Именно о таких переключателях мы и поговорим.
Переключатель с фиксацией. Эквивалентом в цифровой схемотехнике такому переключателю служит триггер со счетным входом. При первом нажатии на кнопку триггер переходит в одно устойчивое состояние, при повторном – в противоположное. Но управлять счетным входом триггера кнопкой напрямую невозможно из-за дребезга ее контактов в момент замыкания и размыкания. Одним из самых распространенных методов борьбы с дребезгом является использование кнопки на переключение совместно со статическим триггером. Взглянем на рис.1.

В исходном состоянии на выходах элементов DD1.1 и DD1.2 «1» и «0» соответственно. При нажатии на кнопку SB1 первое же замыкание ее нормально разомкнутых контактов переключает триггер, собранный на DD1.1 и DD1.2 , причем дребезг контактов на дальнейшую его судьбу не влияет – чтобы триггер вернулся в исходное состояние, необходимо подать логический ноль на нижний его элемент. Это может произойти только при отпускании кнопки и снова дребезг не повлияет на надежность переключения. Далее наш статический триггер управляет обычным счетным, который переключается по входу С фронтом сигнала с выхода DD1.2.
Следующая схема (рис.2) работает аналогично, но позволяет сэкономить один корпус, поскольку в качестве статического триггера используется вторая половина микросхемы DD1.

Если применение кнопок с переключающими контактами неудобно, то можно воспользоваться схемой, изображенной на рис.3.

В ней в качестве подавителя дребезга используется цепочка R1,С1,R2. В исходном состоянии конденсатор подключен к цепи +5 В и разряжен. При нажатии на кнопку SB1 начинается заряд конденсатора. Как только он зарядится, на входе счетного триггера сформируется отрицательный импульс, который его и переключит. Поскольку время зарядки конденсатора много больше времени переходных процессов в кнопке и составляет порядка 300 нс, дребезг контактов кнопки не влияет на состояние триггера.
Переключатели с фиксацией и общим сбросом. Схема, изображенная на рис.4 представляет собой произвольное количество кнопок с независимой фиксацией и одной кнопкой общего сброса.

Каждый переключатель представляет собой статический триггер, включаемый отдельной кнопкой. Поскольку при появлении даже короткого низкого уровня триггер однозначно переключается и удерживается в таком положении до сигнала «сброс» на другом входе, схема подавления дребезга контактов кнопки не нужна. Сбрасывающие входы всех триггеров соединены и подключены к кнопке SBL, являющейся общей кнопкой сброса. Таким образом включить каждый триггер можно отдельной кнопкой, выключить же можно только все сразу кнопкой «Сброс».
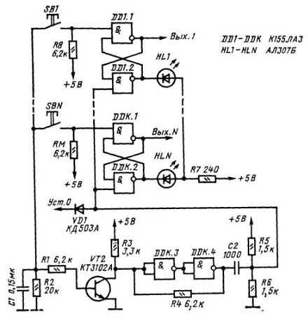
Переключатели с зависимой фиксацией. В этой схеме каждая кнопка включает свой статический триггер и одновременно сбрасывает все остальные. Таким образом мы получаем аналог линейки кнопок П2К с зависимой фиксацией (рис.5).

Как и в предыдущей схеме, каждая кнопка включает свой триггер, но одновременно с этим запускает схему сброса, собранную на транзисторе VT2 и элементах DК.3, DK.4. Рассмотрим работу этого узла. Предположим, нам нужно включить первый триггер (элементы D1.1, D1.2). При нажатии на кнопку SB1 низкий уровень (поскольку конденсатор C1 разряжен) переключит триггер (вход элемента D1.1). Конденсатор тут же начнет заряжаться через цепь SB1, R8. Как только напряжение на нем увеличится примерно до 0.7В, откроется транзистор VT1, но для элемента D1.1 такое напряжение еще является логическим «0».
Транзистор тут же переключит триггер Шмидта на элементах DK.3, DK.4, который сформирует короткий импульс на входах сброса всех триггеров. Все триггеры будут сброшены (если до этого были включены), кроме первого, поскольку через кнопку SB1 на его верхний по схеме вход все еще подается логический «0» (напряжение ниже 1 В). Таким образом, задержка прохождения сигнала сброса достаточна для прекращения дребезга контактов, но сброс произойдет быстрее, чем мы отпустим кнопку, запрещающую переключение соответствующего триггера.
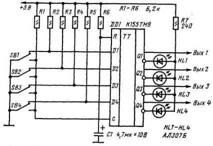
Интересную и несложную схему переключателя с зависимой фиксацией можно построить на микросхеме К155ТМ8 (рис.6).

При подаче питания цепочка R6, С1 сбрасывает все триггеры и на их прямых выходах устанавливается низкий логический уровень. На входах D так же уровень низкий, поскольку все они замкнуты каждый через свою кнопку на общий провод. Предположим нажата кнопка SB1. На входе первого триггера устанавливается «1» (благодаря R1), на общем тактирующем входе – «0» (через переключающий контакт кнопки). Пока теоретически ничего не происходит, поскольку микросхема стробирует данные по положительному перепаду. А вот при отпускании кнопки данные со входов будут переписаны в триггеры – в 2, 3, 4 – «0», в 1 – «1», поскольку положительный фронт на входе С появится раньше, чем верхние по схеме контакты SB1 замкнутся. При нажатии любой другой кнопки цикл повторится, но «1» будет записана в тот триггер, чья кнопка будет нажата. Это в теории. Практически из-за дребезга контактов данные с входа перепишутся сразу после нажатия кнопки и по отпусканию ее не изменятся.
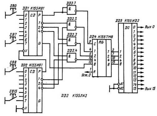
Все вышеперечисленные схемы с зависимой фиксацией обладают одним существенным недостатком, который свойственен и переключателям П2К – возможность «защелкивания» нескольких кнопок при их одновременном нажатии. Избежать этого позволит схема, собранная на приоритетном шифраторе (рис.7).

Схема, конечно, с виду достаточно громоздка, но фактически состоит лишь из трех корпусов без дополнительных навесных элементов и, что немаловажно, не требует кнопок на переключение. При нажатии на кнопку, приоритетный шифратор DD1 устанавливает на своем выходе двоичный код (инверсный) этой кнопки и подтверждает его сигналом G «строб», который тут же записывает данные в микросхему DD2, работающую в режиме четырехразрядного параллельного регистра-защелки. Здесь код еще раз инвертируется (выходы у регистра инверсные) и поступает на обычный двоично-десятичный дешифратор DD3. Таким образом, на соответствующем выходе дешифратора устанавливается низкий уровень, который будет неизменным до нажатия любой другой кнопки. Невозможность одновременного защелкивания двух кнопок обеспечивает схема приоритета (подробнее о работе приоритетного шифратора я писал здесь). Поскольку микросхема К155ИВ1 прямо таки создана для наращивания разрядности, было бы глупо не воспользоваться этим и не собрать блок переключателей с зависимой фиксацией на 16 кнопок (рис.8).
Статьи ►
Цоколевка и цветовая маркировка отечественных варикапов