Предлагаемое устройство дублирует телефонный звонок стационарного аппарата световым сигналом и будет полезно людям с ослабленным слухом или на объектах с повышенным уровнем шума. Приставка подключается параллельно телефонному аппарату и не требует доработки последнего. Схема, приведенная ниже особых пояснений не требует.

Напряжение вызова проходит через конденсатор С1, на диодный мост VD1, выпрямляется и поступает на обмотку реле К1. Реле срабатывает и своими нормально разомкнутыми контактами подключает к сети лампу накаливания HL1, включенную через диод VD2, ослабляющий ее яркость вдвое (от него, в принципе, можно отказаться). Конденсатор С2 сглаживающий и служит для устранения дребезга контактов реле во время набора номера и звонка. Вполне естественно, что контакты реле можно нагрузить чем угодно – от сирены, питающейся от сети до детской игрушки, работающей на батарейках. Во втором случае индикатор звонка не будет привязан к сетевой розетке.
В устройстве можно применить следующие детали:
С1 – любой бумажный на напряжение не ниже 160В, к примеру, МБМ;
С2 – бумажный или пленочный, в крайнем случае пойдет и электролитический;
Диодный мост VD1 можно собрать из отдельных диодов, к примеру, Д226, КД102А, КД105Б и другими;
VD2 должен быть рассчитан на обратное напряжение не ниже 380 В;
Реле с сопротивлением обмотки порядка 1000 Ом и током срабатывания до 10 мА. Контакты его, конечно, должны быть рассчитаны на подключаемую нагрузку.
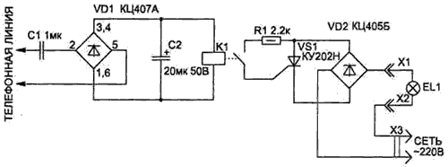
Поскольку контакты большинства герконовых реле не рассчитаны на напряжение 220 В, то подходящего прибора может не оказаться под рукой. Выйти из положения поможет схема, изображенная ниже.

Здесь реле управляет тиристором и служит гальванической развязкой телефонной линии с сетью 220 В. Тиристор же в свою очередь управляет обычной лампой накаливания. Вместо указанного на схеме тиристора подойдет КУ201К, вместо диодной сборки — любые диоды на соответствующее напряжение и ток, который зависит от мощности лампы. Схему можно упростить, установив вместо сборки один диод (к примеру, Д226). В этом случае лампа будет светиться в пол накала. При мощности лампы до 150 Вт тиристор устанавливать на радиатор не нужно.
Статьи ►
Световая индикация телефонного звонка