Портативное ретрорадио на пыльном чердачке

Аналог высоковольтного стабилитрона


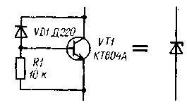
При построении схем на варикапах нередко возникает потребность в стабилизации достаточно высокого напряжения (до 60 В и выше). Если под рукой не оказалось соответствующего высоковольтного стабилитрона, то его аналог нетрудно собрать  всего на трех элементах. Схема, приведенная на рисунке,  представляет собой источник стабильного тока (диод VD1)  и токовый усилитель (транзистор VT1). Такая схема вполне способна заменить стабилитроны КС630А, КС620А, КС680А, КС650А и полностью им эквивалентна. В зависимости от экземпляра диода, напряжение стабилизации может лежать в диапазоне 120 – 180 В, дифференциальное сопротивление 500-550 Ом, ток надежной стабилизации – 0.1-20 мА.

В устройстве могут быть применены диоды Д219А, Д220А, Д220, которые обладают низким дифференциальным сопротивлением при обратном напряжении 120-180 В. Налаживание аналога стабилитрона сводится к подбору экземпляра диода, обладающего необходимым напряжением стабилизации. При токе стабилизации более 6 мА транзистор придется установить на радиатор. В качестве VT1 может работать любой другой, имеющий соответствующее рабочее напряжение коллектор-эмиттер и рассеиваемую мощность. СтатьиАнодирование алюминия