Комплект разработан для построения пятикомандных систем ДУ и позволяет передавать поочередно или параллельно до пяти независимых команд. Типовая схема включения шифратора команд PT8A977B представлена на рисунке 1.

Рисунок 1. Типовая схема включения PT8A977B
Частота внутреннего тактового генератора задается номиналом резистора R1 и при указанных на схеме значениях составляет 128 кГц. Пока все кнопки отжаты, схема находится в дежурном режиме и потребляет ток порядка 5 мкА. При нажатии на кнопку или группу кнопок ток возрастает до 0.1 мА. На выводе 8 микросхемы формируется соответствующий код, который можно подать на модулятор передатчика.
Ели в качестве передатчика используется ИК канал, то необходимо использовать вывод 7, на котором кодовая посылка заполняется поднесущей. Это необходимо для нормальной работы ИК излучателя. Частота заполнения равна половине тактовой частоты (в нашем случае равняется 128/2=64 кГц). Одновременно с этим на выводе 10 формируется логическая единица, которая включает питание передатчика (если необходимо).

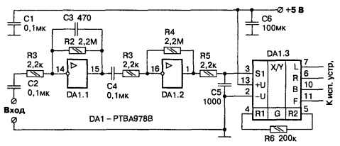
Рисунок 2. Типовая схема включения PT8A978B
Для дешифрации команд, сформированных микросхемой PT8A977B, служит микросхема PT8A978B. Типовая схема ее включения изображена на рисунке 2. Тактовая частота дешифратора задается номиналом резистора R1 и выбирается равной тактовой частоте передатчика. На КМОП микросхеме DA1 (используются два инвертора) собран усилитель-формирователь, позволяющий подключить дешифратор непосредственно к выходу передатчика. Чувствительность усилителя – 10-30 мВ.
Статьи ►
Контроллер светодиодного индикатора уровня К1003ПП1