Как известно, микросхема К155ИД4 представляет собой два дешифратора «два на четыре» (подробности здесь), на основе которого несложно построить двоично-десятичный дешифратор с тремя входами и восемью выходами:

Состав микросхемы К155ИД4

Дешифратор на три входа и восемь выходов на основе К155ИД4
Но как быть, если требуется дешифратор на 10 выходов, который еще называют неполным? Можно использовать полный дешифратор «два на шестнадцать» (к примеру, К155ИД3), можно взять высоковольтный дешифратор с открытыми коллекторами К155ИД1, но с ним будут проблемы совместимости по уровням ТТЛ (У ИД1 уровень «0» на выходе может достигать 2 В). Удобнее использовать и имеющийся К155ИД4, дополнив его недостающими разрядами. Для «модернизации» ИД4 понадобится всего один корпус микросхемы К155ЛА3, да и то не целиком.

Дешифратор на четыре входа и десять выходов (неполный дешифратор) на базе К155ИД4
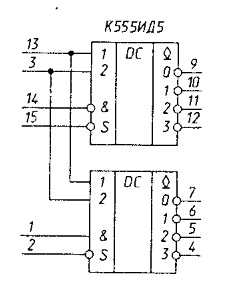
При подаче на вход двоичного кода от 0 до 7 схема работает как обычный ИД4, элементы DD2.1 – DD2.3 не используются, на их выходах высокий уровень. При подаче на вход двоичного числа «8» (1000), старший разряд блокирует микросхему ИД4 и активирует дополнительный модуль расширения, который в зависимости от состояния младшего разряда активирует выходы «8» или «9». Точно таким же образом можно поступить и с микросхемой К155ИД5, но нужно учитывать, что она имеет выходы с открытым коллектором. Значит для полноценного получения дополнительных разрядов придется использовать логические элементы с открытым коллектором (это К155ЛА8) если они, конечно, нужны.
Статьи ►
Двуполярное напряжение из однополярного