Дешифратор К155 ИД3, К1533ИД1
Микросхема представляет собой двоично-десятичный дешифратор на 15 выходов.

Выводы 23, 22, 21 20 — информационные. Служат для получения двоичного кода с весом разрядов 1, 2, 4, 8 соответственно. При получении кода, микросхема выставляет логический «0» на соответствующем коду десятичном выходе (выводы 1-17). На всех остальных выходах в это время присутствует «1».
Все вышесказанное справедливо лишь в том случае, если на входах S (выводы 18, 19), соединенных по «И», присутствует «0». Если на любом из выводов появится «1», на всех выходах дешифратора установится «1» независимо от входного кода. Таким образом, используя входы S и всего лишь один инвертор, несложно нарастить разрядность дешифратора до 32:

Еще один инвертор позволит увеличить разрядность до 64:

Если требуется получить дешифратор на большее количество разрядов, то в качестве устройства выбора микросхем вместо инверторов лучше использовать ту же ИД3 (на схеме ниже – DD1).

В зависимости от четырех старших разрядов кода она активирует тот или иной дешифратор, организуя полную байтную линейку (8 двоичных входов, 256 десятичных выходов).
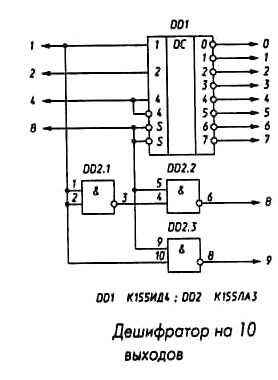
Дешифтратор К155ИД4, К555ИД4, КР1533ИД4
Микросхема представляет собой два идентичных двоично-десятичных дешифратора на два входа (двоичный код с весом 1-2) и четыре выхода (десятичный код 0-3) каждый. Адресные двоичные входы дешифраторов включены параллельно (выводы 3, 13 микросхемы).

Каждый дешифратор имеет свои входы стробирования. У верхнего по схеме дешифратора входы стробирования соединены по «И», назначение их аналогично микросхеме ИД3 – логический «0»на обоих входах разрешает дешифрацию, «1» на любом из них переводит все выходы дешифратора в «1». Нижний по схеме дешифратор имеет стробирующие входы, соединенные по «И», но с инверсией одного из них. Таким образом дешифрация произойдет при наличии на стробирующих входах сигналов «1» и «0» При любой другой комбинации работа дешифратора будет запрещена ( на всех выходах «1»). Такая организация позволяет построить дешифратор на 8 всего на одном корпусе без применения дополнительных элементов:

Аналогично микросхеме ИД3 в дешифраторах на микросхемах ИД4 несложно нарастить разрядность:

При необходимости количество выходов ИД4 можно дорастить до 10 и превратить его в неполный двоично-десятичный дешифратор на 4 входа и 10 выходов используя простую логику:

Микросхема К555ИД5
Является аналогом 155ИД4 с той лишь разницей, что выходы дешифратора собраны по схеме с открытым коллектором:

Микросхема К155ИД1
Неполный двоично-десятичный дешифратор на 4 входа и 10 выходов. Отличительная особенность микросхемы – высоковольтные выходные ключи с открытым коллектором. Микросхема имеет минимум управления — 4 входа для подачи двоичного кода и 10 выходов для отображения полученного кода в десятичном счислении (плюс два вывода питания).

Вход управляется уровнями ТТЛ. Выходы можно нагрузить (собственно для этого микросхема и предназначена) высоковольтными газоразрядными индикаторами, питающимися постоянным или пульсирующим напряжением до 300 В. При поступлении на входы 3, 6, 7, 4 двоичного кода, соответствующий этому коду выход соединяется с корпусом (- источник питания). Все остальные выходы в это время закрыты (имеют высокое сопротивление – «обрыв»). Если на вход подать двоичный эквивалент чисел 10-15 (четырехразрядный двоичный вход это позволяет), то все выходы микросхемы окажутся отключенными. Схема подключения газоразрядного индикатора к микросхеме 155ИД1 проста:

Катоды разрядов подключаются к выходам дешифратора, общий анод через резистор R1 (минимум 22кОм) к плюсу источника питания газоразрядного индикатора. Минус этого источника соединяется с минусовым проводом питания микросхемы.
Микросхема К555ИД6
Неполный двоично-десятичный дешифратор, работающий по тому же алгоритму, что и 155ИД1. Единственное отличие — выходы ИД6 имеют обычные ключи, выдающие ТТЛ уровни «0», «1».

При получении двоичного кода, микросхема устанавливает на соответствующем выходе уровень «0», на остальных «1». При входном коде 10-15 на всех выходах присутствует «1».
Микросхема К555ИД7, КР1533ИД7, КР531ИД7
Полный двоично-десятичный дешифратор на 3 входа и восемь выходов. Входы служат для подачи трехразрядного двоичного кода, выходы – для выдачи его десятичного эквивалента (активный уровень низкий).

Для стробирования выходного сигнала служат три входа S соединенные по «И», два из которых инверсные. При наличии на входах 4, 5, 6 уровней «0», «0», «1» соответственно, дешифрация разрешена, при любой другой комбинации на всех выходах дешифратора устанавливается высокий уровень. Благодаря расширенному управлению стробирования дешифраторы можно объединять для наращивания разрядности без дополнительных элементов или с их минимумом. В качестве примера ниже приведена схема дешифратора на 32 разряда с использованием всего одного дополнительного инвертора.

Микросхема К155ИД10, К555ИД10
Неполный двоично-десятичный дешифратор на четыре входа и десять выходов.

По расположению выводов и логике работы аналогичен микросхеме К155ИД6, но выходы ИД10 выполнены по схеме с открытым коллектором, а выходные ключи рассчитаны на достаточно большой выходной ток. При низком уровне на выходе ключ 555 серии дешифратора в состоянии держать ток до 24 мА, 155 и 133 серии – до 80 мА. При отключенном выходе всех серий напряжение на нем может достигать 15 В, что позволяет напрямую запитать маломощное электромагнитное реле:

Микросхема КР531ИД14, КР1533ИД14
Два полных двоично-десятичных дешифратора с двухразрядным входом и четырехразрядным десятичным выходом каждый.

При подаче на вход двоичного двухразрядного кода на соответствующем выходе дешифратора устанавливается его десятичный эквивалент. Входы у обоих дешифраторов прямые, выходы инверсные. Кроме того, каждый из дешифраторов стробируется отдельным сигналом S (вход инверсный). При наличии «0» на входе стробирования дешифратор работает, при высоком уровне переводит все выходы в состояние «1».
Как и все дешифраторы КР1533(531)ИД14 могут соединяться каскадно для наращивания разрядности. На рисунке ниже представлена схема неполного дешифратора на 4 входа и 12 выходов, составленная из двух корпусов КР531ИД14.
Статьи ►
Диодные оптроны АОД101 — КОД302