Сразу следует оговориться, что схемотехника построения делителей частоты на ТТЛ и КМОП практически ничем не отличается (единственным отличием может быть существование того или иного счетчика в каждой из серий). Таким образом схемы, приведенные в статье, могут быть использованы для построения делителей как на КМОП, так и на ТТЛ логике.
Проще и нагляднее всего реализовать делитель частоты с помощью счетных триггеров (D-триггеров). Именно такие триггеры являются основой для построения счетчиков. Они работают в широком диапазоне частот (от 0 до граничной частоты переключения элементов серии), достаточно помехоустойчивы, не требуют дополнительных навесных элементов и просты в повторении. Еще один вариант – использование в качестве делителя JK-триггер. Поскольку такой триггер поистине универсальный, его несложно включить в счетном режиме. Ниже представлено две схемы-делителя на 2. Один из них собран на счетном триггере (1 элемент микросхемы ТМ2), второй на JK-триггере (рис.1).

Рис.1. Делитель на D и JK триггере
Соединив несколько делителей на 2 можно получить линейку с выходными частотами f/2, f/4, f/8, f/16 (выходы Q1, Q2, Q3, Q4 соответственно (рис.2).

Рис.2
Поскольку в одном корпусе ТМ2 находится 2 D-триггера, то на одной микросхеме несложно собрать делитель частоты на 3 (рис.3).

Рис.3
Для построения делителя на 5 на JK-триггерах в схему придется добавить логический элемент 2И-НЕ (рис.4).

Рис.4
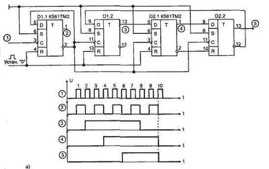
Еще один корпус ТМ2 понадобится чтобы построить делитель частоты на 10 (рис.5).

Рис.5
Для большего коэффициента деления удобнее использовать микросхемы счетчиков:

Делитель на 60

Делитель на 1000
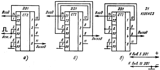
Особый интерес представляет микросхема серии ТТЛ – К155ИЕ2. Состоит она из двух блоков — делителя на 2 (вход С1) и делителя на 5 (C2). При соединении выхода первого делителя (вывод 12) с входом второго, легко получить делитель на 10 (рис.6 а). Еще один полезный узел микросхемы — 2 входа сброса, соединенных по «И» (выводы 2,3). Благодаря этому узлу и выводам выхода с каждого триггера счетчика (выводы 12,9,8,11) несложно собрать делитель с числом от 2 до 10 без использования дополнительных элементов. Для примера на рисунке 6 б изображен делитель на 6, а на рис. 6 в – делитель на 8.

Рис.6
Статьи ►
Делитель частоты на 10 с переключаемой скважностью