Генераторы на КМОП логике по принципу построения ничем не отличаются от генераторов на ТТЛ микросхемах, но ввиду малого энергопотребления КМОП микросхемами и гораздо меньших рабочих токов (в частности входных) отличия все же имеются. Прежде всего, для генераторов КМОП логики характерны большие величины времязадающих резисторов (десятки и сотни кОм в отличие от сотен Ом для ТТЛ) и малые емкости конденсаторов. К примеру, классическая схема генератора (рис.1), собранная на 561 серии при сопротивлении резистора менее 1 кОм вообще не запустится.

Ниже у МОП генераторов получится и максимальная частота генерации, которая ограничена верхней частотой переключения МОП элементов (обычно до 2 МГц). Причем эта частота падает при снижении напряжения питания. Достоинством же генераторов на КМОП микросхемах можно считать широкий диапазон питающих напряжений (для 561 серии напряжение питания может лежать в диапазоне от 2 до 12 В, тогда как ТТЛ логика достаточно жестко привязана к напряжению питания 5В, 10% погрешность). Плюс малые величины, а значит и габариты времязадающих конденсаторов и, главное, очень малое энергопортебление (1 мА и менее).
Если требуется повысить стабильность частоты генерации, то имеет смысл применить схему на трех инверторах.

Ну и еще более стабильными получатся генераторы, в качестве частотозадающего элемента в которых используется индуктивность. В этом случае схема простейшего мультивибратора будет выглядеть так:

Из-за того, что переключение логического элемента не происходит ровно при половине питающего напряжения, длительность импульса простого КМОП генератора сильно отличается от длительности паузы. При необходимости получить четкий меандр со скважностью 2, придется использовать более сложную схему:

Здесь длительность паузы и длительность импульса можно изменять независимой подборкой сопротивлений R1 и R2.
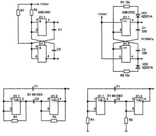
Следующие две схемы позволяют оперативно регулировать либо длительности импульса и паузы раздельно (рисунок а), либо менять скважность (одновременное уменьшение одной характеристики с увеличением другой)

Вообще же для получения идеально четкой скважности 2 лучше использовать счетный триггер, подключенный к выходу мультивибратора, настроенного на частоту вдвое большую, чем необходимо получить.

Есть вариант получения скважности 2 или так называемого «меандра» и проще. Для этого придется собрать симметричный мультивибратор на микросхеме К561ТЛ1. При равенстве сопротивлений и емкостей в плечах, такой генератор будет выдавать четкий «прямоугольник» со скважностью 2.

Частоту генерации можно определить по следующей формуле: F=1.05/R1*C1, где F – частота в килогерцах, R – сопротивление резистора R1 = R2 в килоомах, С – емкость конденсатора C1=C2 в микрофарадах. Мультивибратор может быть собран и на микросхемах К561ЛЕ5 или К561ЛА7, однако фронт и спад импульсов в этом случае будет несколько завален.
А вот еще несколько схем симметричных мультивибраторов:

Ну и когда к стабильности частоты предъявляются совсем уже жесткие требования, то как и в случае с ТТЛ-генераторами, без кварцевого резонатора не обойтись:

Обратите внимание, что в частотозадающую цепь может быть подключен подстроечный конденсатор небольшой емкости, позволяющий слегка изменять частоту генерации. Стабильность же при этом будет все равно зависеть от стабильности кварцевого резонатора.
Статьи ►
Генераторы на миросхемах ТТЛ